RS485 终端电阻为什么是 120Ω?从物理层原理彻底讲清工业现场的真实问题
2026-02-28 17:05:07
钡铼技术
在工业现场,RS485 几乎是“最常见、也最容易被误用”的通信接口之一。很多工程师都听过一句话:“RS485 总线两端要加 120Ω 终端电阻。”
但问题是——为什么要加?不加会怎样?什么时候可以不加?
这篇文章我们不背规范、不抄手册,而是从物理层原理出发,把 RS485 终端电阻这件事彻底讲清楚。

01
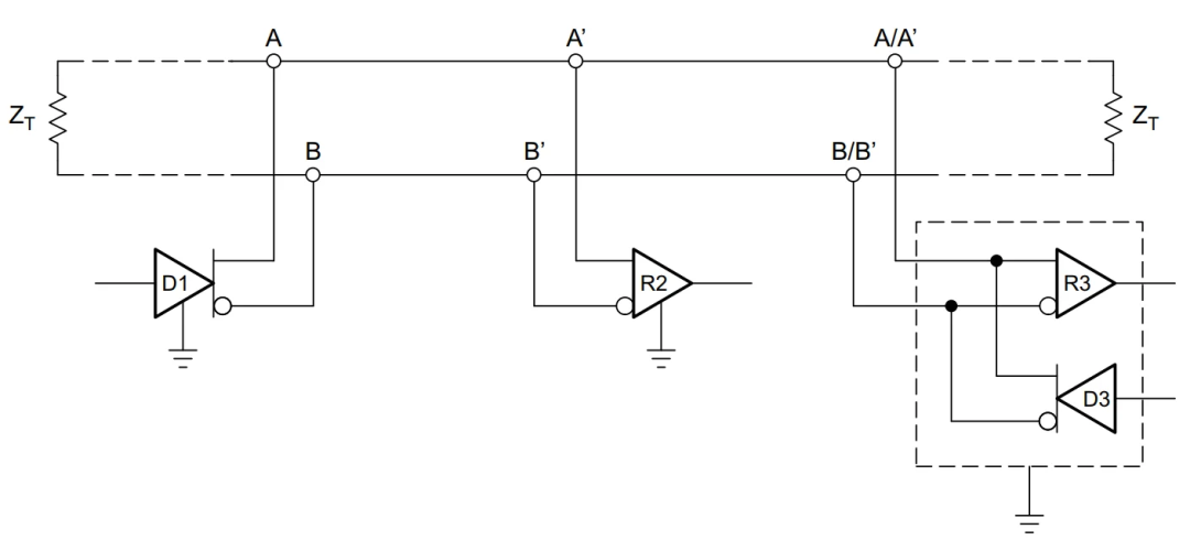
RS485 本质上不是“普通导线”,而是传输线
很多人把 RS485 当成“电线 + 电平”,这是理解错误的根源。
当通信距离超过一定长度后,导线不再是理想导体,而是一根传输线。
RS485 线路的几个关键物理参数
重点在这里:RS485 使用的双绞线,本身就有“特性阻抗”。
一旦信号沿着这根线传播,就必须考虑——
